| |
 |
 |
 |
| |
Ilex aquifolium L.
|
Holly
|
Aquifoliaceae
|
| |
 |
| |
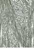
Transversal section |
|
|
| |
Diffuse-porous. Pores small, in extremely long radial multiples and clusters. Growth ring boundaries marked by 2 to 3 rows of radially flattened cells. Cells uniformly thick-walled. Diffuse apotracheal and paratracheal parenchyma. |
|
| |
| |
Radial section |
|
|
| |
Scalariform perforation plates with 15 to 20, rarely up to 30 bars. Conspicuous spiral thickenings in vessels and fibre-tracheids. Heterogeneous multiseriate rays with numerous rows of upright marginal cells, uniseriate rays with upright cells. Ground tissue composed of fibre-tracheids, libriform fibres absent. |
|
| |
| |
Tangential section |
|
|
| |
Two classes of rays: Uniseriate rays with axial oval cells and multiseriate rays, 4 to 8 cells wide, with round cells, often up to 4 mm high. |
|
| |
| |
Key characters |
|
|
| |
Diffuse-porous, long radial multiples of small pores. Rays wide, heterogeneous. Scalariform perforation plates. Spiral thickenings. |
| |
|