| |
 |
 |
 |
| |
Juglans regia L.
|
Walnut
|
Juglandaceae
|
| |
 |
| |
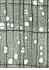
Transversal section |
|
|
| |
Diffuse-porous to semi-ring-porous. Pores large, infrequent, solitary or in radial rows of 2 to 4 cells. Tyloses frequent in pores of heartwood. Apotracheal parenchyma, both diffuse and in short, tangential bands. Paratracheal parenchyma scanty. |
|
| |
| |
Radial section |
|
|
| |
Simple perforation plates. Rays homogeneous, occasionally slightly heterogeneous with one to several rows of square marginal cells. Libriform-fibres present, fibre-tracheids absent. In large parenchyma cells (idioblasts) frequently prismatic cristals. |
|
| |
| |
Tangential section |
|
|
| |
Rays generally bi- to 4-seriate, rarely uni- and 5-seriate. Average ray height 15 to 30 cells. |
|
| |
| |
Key characters |
|
|
| |
Pores large, infrequent, often in radial multiples of 2 to 4 pores. Rays bi- to 4-seriate. |
| |
|